气动夹爪
适配型号:myCobot 320、myCobot Pro 600
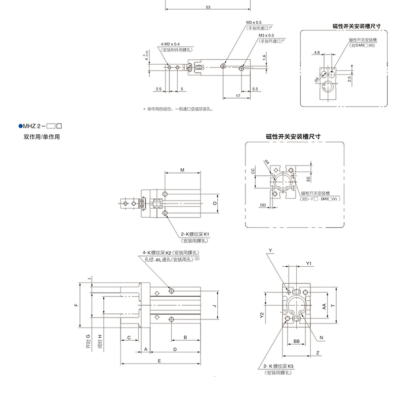
产品图示

规格说明:
| 名称 | mycobot320气动夹爪 |
|---|---|
| 型号 model | myCobotPro_Gripper_Air_10 |
| 工艺 | 金属+7500尼龙 |
| 夹持范围 Clamp size | 0-8mm |
| 最大夹持力 Clamp force | 外径34N 内径45N |
| 重复精度 precision | ±0.01mm |
| 使用寿命 Lifetime | 一年 |
| 驱动方式 drive | 气动 |
| 传动方式 | 活塞缸体 |
| 尺寸 size | 67.3×38×23.6mm |
| 重量 weight | 180g |
| 固定方式 Fixed | 螺丝固定 |
| 使用环境要求 | 常温常压 |
| 控制接口 control | IO控制 |
| 适用设备 | ER myCobot 320 M5 ER myCobot 320 Pi ER myCobot Pro 600 |
气动夹爪 : 夹取物体使用
简介
气动夹爪又名气动手指或气动夹指,是利用压缩空气作为动力,用来夹取或抓取工件的执行装置。它体积小,重量轻,外形紧凑,能实现单双向抓取,可自动对中,重复精度高,并且磁性开关可实现自动化的控制。
气动夹爪套装包括夹爪法兰、气泵、φ8气管、φ6气管、φ8-6快速接头、电磁阀以及线缆。其主要作用是替代人的抓取工作,可有效地提高生产效率及工作的安全性。需要附带外部的吸泵。
工作原理
单活塞:则是轴心带动曲柄,气爪由活塞驱动开闭运动。两片爪片上各有一个相对应的曲柄槽。为减小磨擦阻力,爪片与本体连接为钢珠滑轨结构。
双活塞:是通过两个活塞动作的,每一活塞由一个滚轮和一个双曲柄与气动手指相连,形成一个特殊的驱动单元。实现气动手指总是轴向对心移动,每个手指是不能单独移动的。平行夹爪气缸如果手指反向移动,则先前受压的活塞处于排气状态,而另一个活塞处于受压状态。
适用物体
- 体积小于夹持行程
- 重量小于最大夹持重量
- 自定义的指尖可以扩展更多的物品
外观介绍


规格参数
| 缸体(mm) | 6 | 10 | 16 | 20 |
|---|---|---|---|---|
| 导向轴承宽度 | 5 | 7 | 9 | 12 |
| 使用流体 | 空气 | |||
| 动作方式 | 双作用 | |||
| 最低使用压力 | 0.15MPa | 0.06MPa | 0.05MPa | |
| 最高使用压力 | 0.7MPa | |||
| 环境及流体温度 | 不带磁性开关:-10~+70℃,带磁性开关:-10~+60℃(但为冻结) | |||
| 活塞速度 | 50-500mm/s | |||
| 允许动能J | 0.0125 | 0.025 | 0.05 | 0.1 |
| 给油 | 不需要 | |||
| 缓冲 | 两端带橡胶缓冲 | |||
淘宝链接:https://item.taobao.com/item.htm?spm=a1z10.5-c-s.0.0.6945364bve0QX4&id=667084571424